技術電話:17301986536加盟電話:13689528587

輪輻式傳感器MK101
產品特點:MK101內螺紋輪輻式測力傳感器采用優質合金鋼材質,表面鍍鎳防腐處理。具有高精度,高穩定性,低外形,安裝簡便、快速等特點。
產品用途:MK101內螺紋輪輻式測力傳感器適用于汽車衡、試驗機和大型料斗秤等。
量程:5kN(500kg)、10 kN(1t)、20 kN(2t)、30 kN(3t)、50 kN(5t)、100 kN(10t)、200 kN(20t)、250 kN(25t)、300 kN(30t)、500 kN(50t)、600kN(60t)、1000 kN(100t)、1500 kN(150t)、2000 kN(200t)、3000kN(300t)、5000kN(500t)
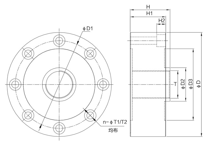
技術參數和外形尺寸:
序號 | 產品技術參數 | |
1 | 額定載荷 | 5kN-5000kN |
2 | 綜合精度 | 0.05%F.S |
3 | 靈敏度 | 2.0mV/V±0.25% |
4 | 蠕變 | ±0.03%F.S/20min |
5 | 零點輸出 | ≤±1%F.S |
6 | 輸入阻抗 | 387±20Ω/775±20Ω |
7 | 輸出阻抗 | 350±5Ω/700±5Ω |
8 | 絕緣阻抗 | ≥5000MΩ |
9 | 推薦激勵電壓 | 10V(DC) |
10 | 適用溫度范圍 | -20~70℃ |
11 | 安全過載 | 120%F.S |
12 | 材質 | 優質合金鋼 |
13 | 接線方式 | 紅……E+(電源正) 黑……E-(電源負) 綠……S+(信號正) 白……S-(信號負) |
輪輻式傳感器MK101 的量程
型號 | 量程(t) | D | D1 | D2 | D3 | H | H1 | T | T1 | T2 | H2 | n |
MK101
| 0.5-7.5 | 105 | 89 | 32 | 75 | 37 | 34 | M16×1.5 | 7.5 | 10.5 | 7.2 | 8 |
10-25 | 120.6 | 101.8 | 39 | 83 | 48 | 41 | M32×1.5 | 8.5 | 14 | 10.5 | 8 | |
30 | 141 | 116.8 | 50.4 | 97 | 57.2 | 50.8 | M40×1.5 | 11 | 18 | 11 | 8 | |
50 | 141 | 116.8 | 54.4 | 93 | 57.2 | 50.8 | M40×1.5 | 11 | 18 | 11 | 8 | |
60-100 | 200 | 162 | 76 | 132 | 83 | 70 | M60×2 | 13 | 20 | 18 | 16 | |
150-200 | 250 | 210 | 110 | 170 | 100 | 90 | M80×3 | 17 | 28 | 20 | 16 | |
300 | 320 | 270 | 162 | 220 | 100 | 100 | M96×4 | 17 | 28 | 20 | 16 | |
500 | 400 | 343 | 240 | 286 | 125 | 120 | M150×4 | 32.5 | 32.5 | 20 | 16 | |
MK101-T | 30 | 120.6 | 101.8 | 43 | 83 | 48 | 41 | M32×1.5 | 8.5 | 14 | 10.5 | 8 |
60 | 153 | 130 | 70 | 110 | 58 | 51 | M40×1.5 | 10.5 | 17 | 16 | 8 | |
100 | 200 | 162 | 76 | 132 | 83 | 70 | M64×3 | 13 | 20 | 18 | 16 | |
200 | 296 | 245 | 136 | -- | 105 | 100 | M90x3 | 22 | 22 | -- | 8 |
密克傳感器(深圳)有限公司是傳感器源頭生產廠家,致力于測力傳感器的研發生產。產品達百余種,廣泛應用于各種工業自動化、機器人、化工、食品、冶金以及醫療等新型和智能化高端領域。按結構分有輪輻式傳感器,S型傳感器,波紋管傳感器,法蘭盤傳感器,柱式傳感器,扭矩傳感器,平行梁傳感器,拉力傳感器等等,按功能應用場景分有試驗機專用傳感器,攪拌站傳感器,稱重傳感器,包裝機傳感器,壓裝機傳感器,價格美麗,可定制。
密克斯生產的輪輻式傳感器適用于汽車衡、試驗機和大型料斗秤等等。